Szeretné ha tovább tartanának a szabadban töltött kellemes esték? A MASTER BP13 használatával a tavaszi vagy őszi idő esetén sem kell dideregnie, és lemondania a szabadban töltött beszélgetésekről vagy egy hangulatos étterem teraszáról. De a nyári hűvösebb estéken is jó szolgálatot tehet egy szabadtéri hősugárzó. A teraszfűtő berendezések közül leginkább a PB-gázzal üzemelők praktikusak, hiszen gazdaságosak, jól melegítenek és ott működnek, ahol éppen szükség van rájuk.
Miért választják a vásárlók a MASTER BP13-at?
Gyors meleg:
Kellemes, sugárzó meleg, ami azonnal felmelegíti a környezetet.
Nincs légáramlás, nincs por, nincs ventilátorzaj.
Azonnali beüzemelés:
Telepítést nem igényel, sem elektromos hálózatot.
Összeszerelés után azonnal üzembe helyezhető.
Nagy fűtött terület:
Ez a teljesítménykategória 20-25 m2-es körben varázsol kellemes időt.
Gyakorlatban azt jelenti, hogy 10ºC-os külső hőmérséklet esetén a teraszfűtő 5 méteres távolságban 17ºC-ra képes felmelegíteni a levegőt.
A melegítőfej 220 cm magasan helyezkedik el.
Gazdaságos:
A fűtés költsége alacsony, mivel csak 500-1000 g/h a készülék gázfogyasztása.
Másrészt a hőmérsékletnek megfelelően szabályozható a teljesítmény.
Biztonságos:
A MASTER hőgombák teljesítik a nemzetközi minőségügyi és biztonsági szabványok előírásait.
A teraszfűtő a legkorszerűbb termoelektromos égésbiztosítóval működik, így egy esetleges felborulás esetén azonnal elzárja a gázt.
Egyszerű működtetés:
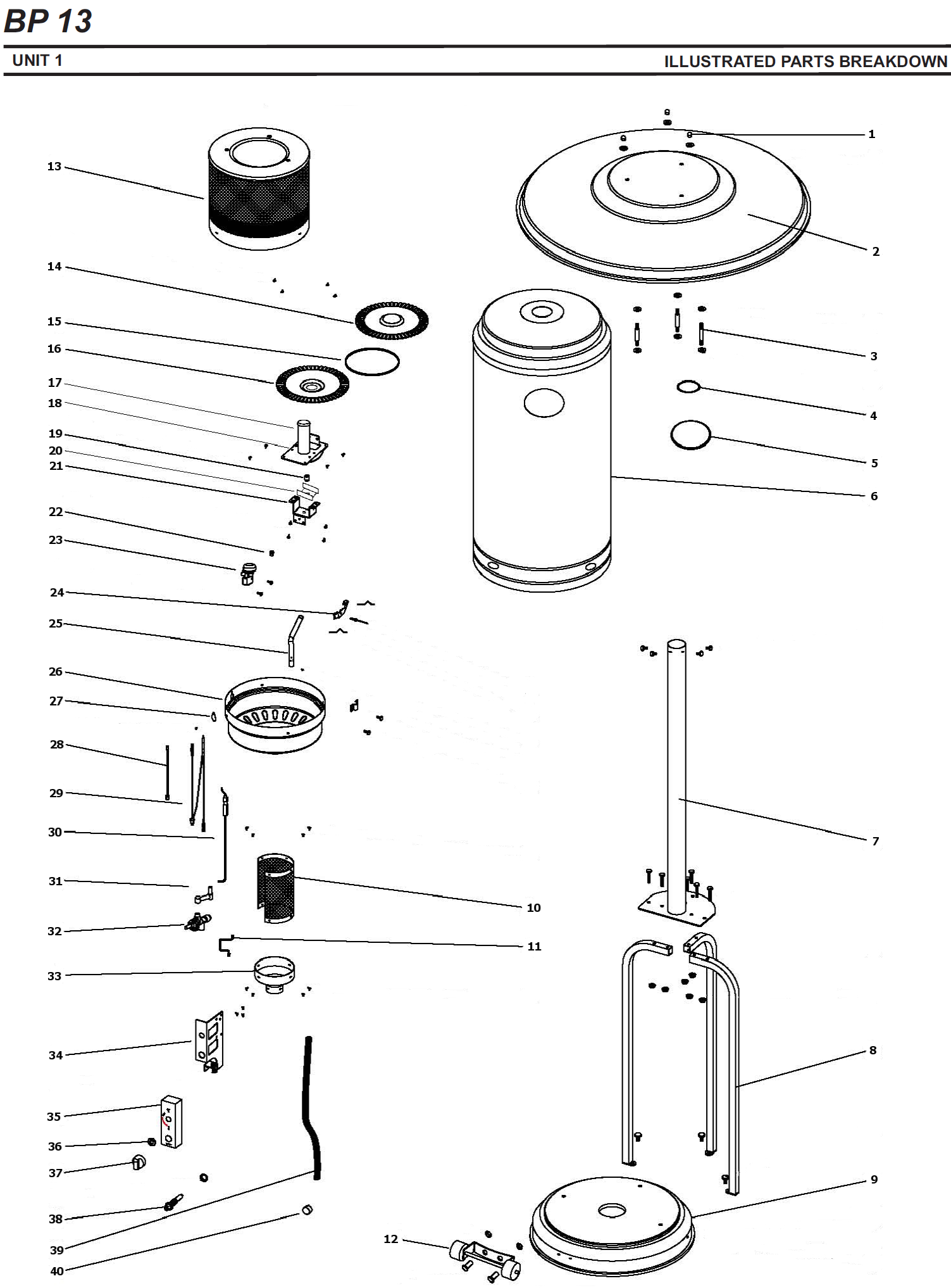
Szabványos 11,5 kg-os PB-gázpalackra van csak szükség, amely a talprészben tárolható.
Egy palackkal kb. 30 órán keresztül működtethető.
Gyújtás gombnyomásra:
A gyújtás gombnyomásra történik piezo elektromos szerkezettel.
Gurítható, praktikus:
Mobil kivitelének és kis súlyának köszönhetően mindig a szükséges helyen üzemeltethető.
A beépített kerekeken továbbgördítve egyszerűen változtathatjuk a BP13 helyét.
Szétszerelve is kis helyet foglal, jól tárolható.
Rozsdaálló váz:
A rozsdamentes INOX acél szerkezet ellenáll az időjárás viszontagságainak.
Felülete könnyen tisztán tartható.
Stílusos külső:
Éttermek, szállodák berendezéséhez is jól igazodik.
A csendes működés, pedig nem zavar senkit.
1 + 2 év garancia:
1 év teljeskörű + 2 év korlátozott termékgarancia.
A megfelelő oxigénellátás biztosítása érdekében a fűtött helyiségeket szellőztetni kell!