A dob mindkét irányba kifordítható, és fokozatmentesen tetszőleges helyzetben rögzíthető
A betonkeverő lapátjainak egyedi elrendezése biztosítja az összetevők gyors és egyenletes keveredését
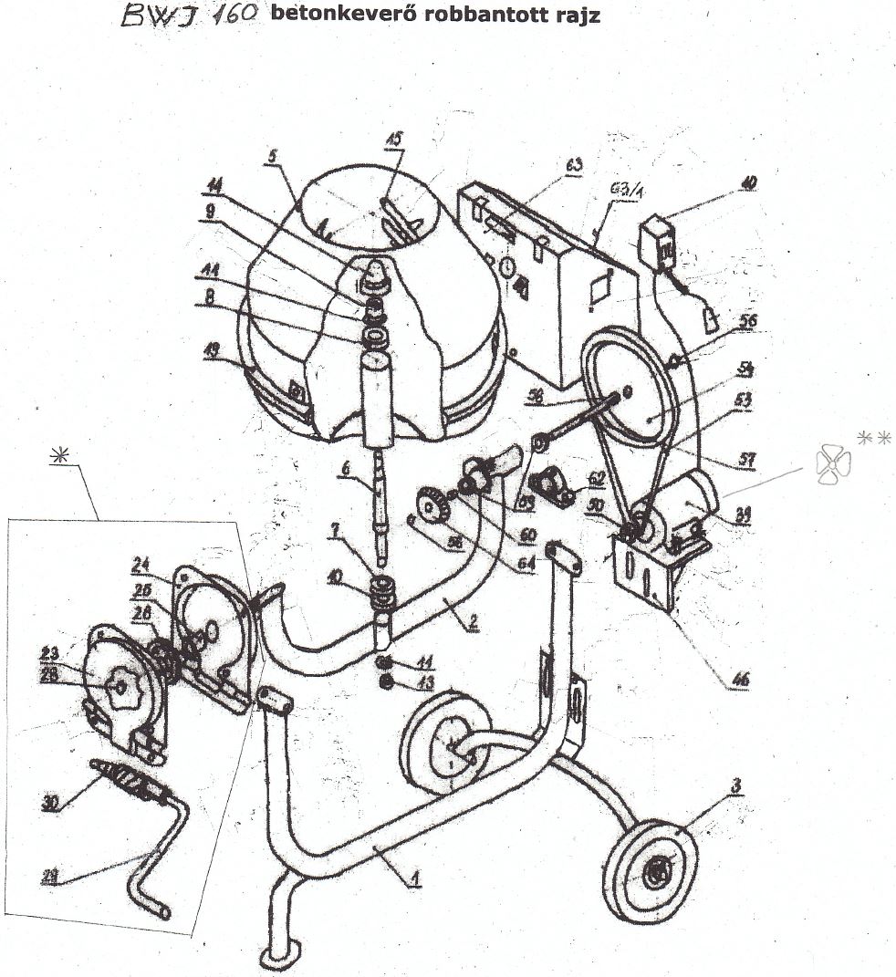
Öntöttvas, kopásálló fogaskoszorú a dobon
1,1 kW elektromos motor (230V)
Betonkeverőinket összeszerelt állapotban, használatra készen szállítjuk, de az alábbiakat javasoljuk:
Szállításkor ajánlatos a keverődobot 90°-ban megdönteni, függőleges helyzetbe állítani a fogaskoszorút, hogy minimalizáljuk annak sérülési lehetőségét.
Első használat előtt ellenőrizni kell a hálózati kábel megfelelő kivezetését! A hálózati kábelt a szállítási sérülések megelőzése érdekében gyárilag a motorházban összekötegelik. A kábelköteg hozzáérhet az ékszíjhoz és a gép azonnali beindítása esetén megsérülhet.
A fogaskoszorú, a fogaskerék kopása mértékében beállításra szorul. Az első használat előtt is ellenőrizni szükséges a fogak fedését. A fogaskoszorút a dobhoz rögzítő 4 db csavar fellazítása után tudja beállítani.
A betonkeverők dobjának belsejében kisebb felületi rozsda, illetve a betonkeverők nagy terjedelme és súlya miatt szállítás közben felületi karcolás, vagy festékleverődés előfordulhat. Kérjük, hogy csak akkor rendelje meg a betonkeverőt, ha ezek Önt nem zavarják az átvételben!